Get Available Conveyor Parts Next Day Air

Shop Now
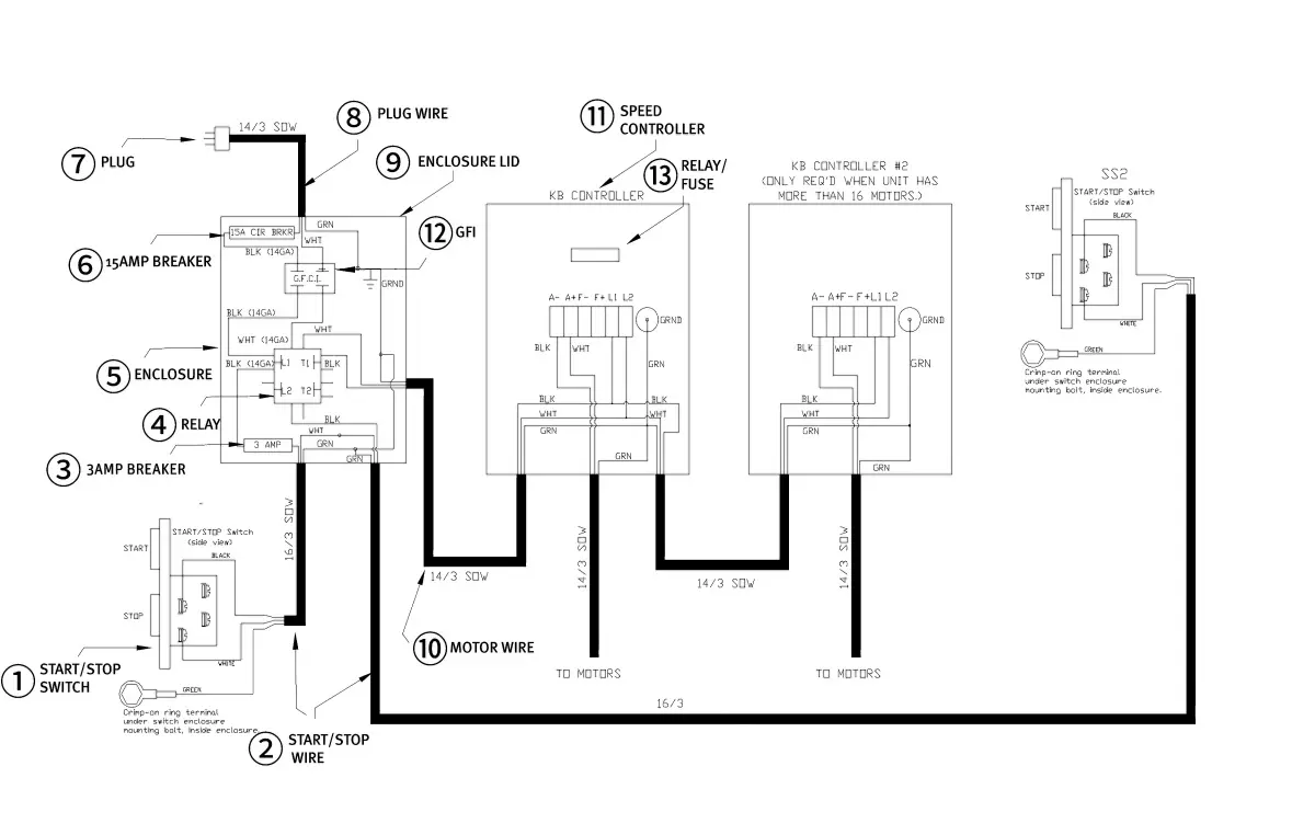
  • BF Non Accumulation
Click image to enlarge

BestFlex Non-Accumulation Electrical

BF Non Accumulation
Click to Narrow Your Results

Configure Your Cookies Settings


Functional (Non-Optional) Always Active
Performance
Advertising

Our website uses cookies for the functionality of the website. For more information on how we use our cookies, see our privacy policy.